Grundfos PM 1 22 1x230V 50/60Hz Hidrofor Basınç Kontrol Ünitesi
Ürün Kodu: T440
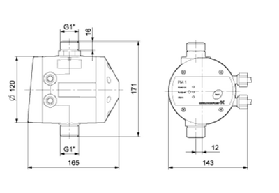
PM 1, Grundfos pompaların ve diğer su temin pompalarının otomatik başlatma/durdurma kontrolü için tasarlanmış bir basınç yöneticisidir. PM 1, temel kontrol özellikleri ile kuru çalışma koruması ve devreye girip çıkma alarmı sunar.
| Boyutlar | Ölçüler | |
|---|---|---|
| Ağırlık | : | 10 |
Ürün Filtreleri | ||
|---|---|---|
| Özellikler | : | Basınç Kontrol Ünitesi |
| Bağlantı Çapı | : | G 1 |
| Tedarikçi Ürün Kodu | : | 440 |














